产品详情

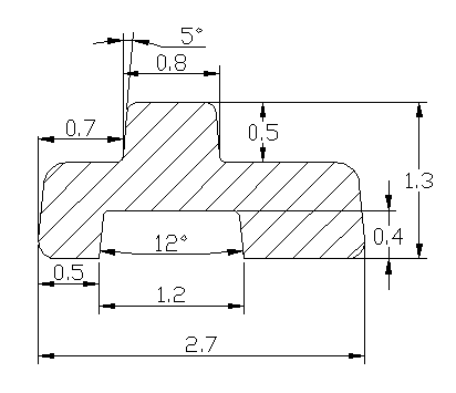
背上单边筋平底2.7×1.3(1.2×0.4)

分享到:
背上单边筋平底2.7×1.3(1.2×0.4)
产品详情

背上单边筋平底2.7-1.3(1.2-0.4).png

文件下载
上一页 1 下一页